ABLIC S-19161A/S-19161B Battery Protection ICs
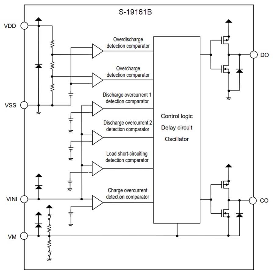
ABLIC S-19161A/S-19161B Battery Protection ICs are protection ICs for lithium-ion/lithium polymer rechargeable batteries, which include high-accuracy voltage detection circuits and delay circuits. It protects 1-cell lithium-ion/lithium polymer rechargeable battery packs from overcharge, over-discharge, and overcurrent. The ABLIC S-19161A/S-19161B Battery Protection ICs come in an SOT-23-6 package with a wide -40°C to +125°C operating temperature range.Features
- High-accuracy voltage detection circuit
- Overcharge detection voltage of 3.500V to 4.800V (5mV step) with an accuracy of ±15mV
- Overcharge release voltage of 3.100V to 4.800V with an accuracy of ±50mV
- Over discharge detection voltage of 2.000V to 3.000V (10mV step) with an accuracy of ±50mV
- Over-discharge release voltage of 2.000V to 3.400V with an accuracy of ±75mV
- Discharge overcurrent 1 detection voltage of 5mV to 100mV (0.5mV step) with an accuracy of ±1.5mV
- Discharge overcurrent 2 detection voltage of 10mV to 100mV (1mV step) with an accuracy of ±3mV
- Load short-circuiting detection voltage
- 20mV to 100mV (1mV step) with an accuracy of ±5mV
- 101mV to 300mV (1mV step) with an accuracy of ±10mV
- Charge overcurrent detection voltage of -100mV to -5mV (0.5mV step) with an accuracy of ±1.5mV
- Detection delay times are generated only by an internal circuit (external capacitors are unnecessary)
- Discharge overcurrent control function
- Release condition of discharge over-current status with load disconnection
- Release voltage of discharge over-current status with discharge overcurrent release voltage (VRIOV) = VDD × 0.8V (typ.)
- 0V battery charge (enabled or inhibited)
- A power-down function of available or unavailable
- A high withstand voltage of VM pin and CO pin with an absolute maximum rating of 28V
- Wide operation temperature range of Ta = -40°C to +125°C
- Low current consumption
- 2.0µA typ., 4.0µA max. (Ta = +25°C) during operation
- 50nA max. (Ta = +25°C) during power-down
- 0.5µA max. (Ta = +25°C) during over-discharge
- Lead-free (Sn 100%), halogen-free
Applications
- Lithium-ion rechargeable battery pack
- Lithium polymer rechargeable battery pack
Datasheets
Published: 2025-01-21
| Updated: 2025-01-30
