Advantech PCL-M10 Industrial Accelerometer

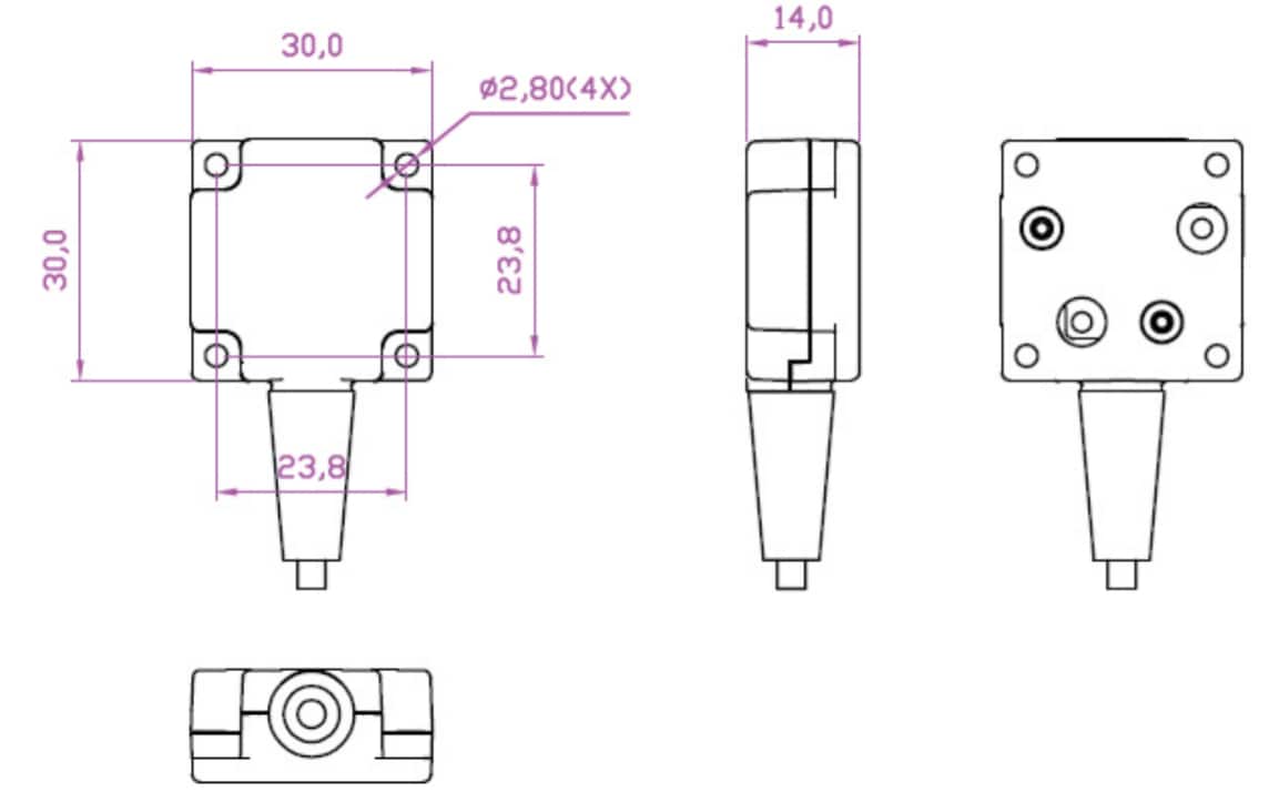
Advantech PCL-M10 Industrial Accelerometer offers ±80mV/g sensitivity and operates at 1~10kHz frequency range. This sensor module directly connects to the WISE-750 Intelligent Vibration Gateway and makes it a solution to measure the vibration for rotational machinery. The PCL-M10 module can be mounted directly or using an adaptor and a magnet plate and comes in a 30mm x 30mm x 14mm dimension. Other specifications are ±5% sensitivity drift @ 0~60°C, 1~10kHz frequency range, and takes 500Ω maximum load (with WISE-750). This sensor module comes with a 3m cable and CE and FCC certifications. Typical applications include machine tools, pumps, elevators, and other motor-actuated machinery.

Features

  • Connects directly with the WISE-750 intelligent vibration gateway 
  • 3m length cable
  • Mounting options:
    • Direct
    • With adaptor and magnet
  • 0~70°C operating temperature range
  • CE and FCC certified
  • 30mm x 30mm x 14mm dimension
  • 85g weight

Specifications

  • Electrical:
    • 16~28VDC excitation voltage
    • Supply current:
      • 15mA typical
      • 30mA maximum
    • 0~20mA output current
    • 500Ω maximum load (with WISE-750)
  • Performance:
    • ±80mV/g sensitivity
    • ±5% sensitivity drift @ 0~60°C
    • 1~10kHz frequency range
    • ±0.1% linearity
    • ±1% (X-Y) and (X-Z) cross axis sensitivity

PCL-M10 Sensor Dimension

Mechanical Drawing - Advantech PCL-M10 Industrial Accelerometer

PCL-M10 Sensor Mounting

Mechanical Drawing - Advantech PCL-M10 Industrial Accelerometer
Published: 2022-02-14 | Updated: 2022-03-24