Cree LED XLamp® ML-B LEDs

Cree LED XLamp® ML-B LEDs bring lighting-class reliability and performance to 1/4W LEDs. These LEDs offer XLamp lighting-class reliability, a wide viewing angle, uniform light output, and industry-leading chromaticity binning in a 3.5mm X 3.5mm package.

Cree LED XLamp ML-B LEDs bring high performance and a smooth look to a wide range of lighting applications, including linear lighting, fluorescent retrofits, and retail-display lighting.

Features

  • 2,600K to 8,300K CCT Available in white
  • ANSI-compatible sub-bins
  • Electrically neutral thermal path
  • RoHS and REACH-compliant
  • Unlimited floor life at ≤30°C/85% RH

Specifications

  • 3.3V operating voltage
  • 80mA operating current
  • 175mA maximum drive current
  • 120º viewing angle, uniform chromaticity profile

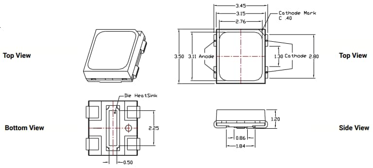
ML-B LEDs Dimensions

Mechanical Drawing - Cree LED XLamp® ML-B LEDs
Published: 2011-07-28 | Updated: 2023-10-06