DFRobot 6V Electric Push Rod

DFRobot 6V Electric Push Rod comes with a thrust of up to 128N and a stroke of 10mm to 100mm when powered by 6V. This small but practical 6V electric push rod has an ultra-short stroke. It can be used for applications like access control, DIY lifting projects, electric telescopic poles, etc.

Features

  • Ultra short stroke
  • Large thrust

Specifications

  • 6V Rated voltage
  • 10mm stroke
  • 128N thrust

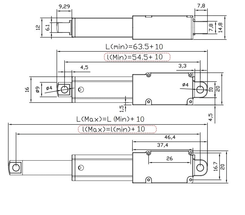
Dimension

DFRobot 6V Electric Push Rod
View Results ( 4 ) Page
Part Number Description
FIT0803 Solenoids & Actuators 6V Electric Push Rod 10mm-128N
FIT0804 Solenoids & Actuators 6V Electric Push Rod 30mm-128N
FIT0805 Solenoids & Actuators 6V Electric Push Rod 50mm-128N
FIT0806 Solenoids & Actuators 6V Electric Push Rod 100mm-128N
Published: 2021-08-23 | Updated: 2022-12-19