Dialight 594 Prism® LED Circuit Board Indicators

Dialight 594 Prism® LED Circuit Board Indicators are small single-level, right-angle indicators for precision electronics. These LED indicators are designed to withstand 260°C peak reflow temperature and provide the aesthetics of a diffused lens for better visibility. The 594 Prism LEDs provide a dominant wavelength range from 525nm to 630nm and luminous intensity range from 2mcd to 312mcd. These LED indicators feature proprietary single-level design for through-hole applications, board-edge mounting in network interface cards, networking hardware, wireless components, electronic testing, and measuring equipment.

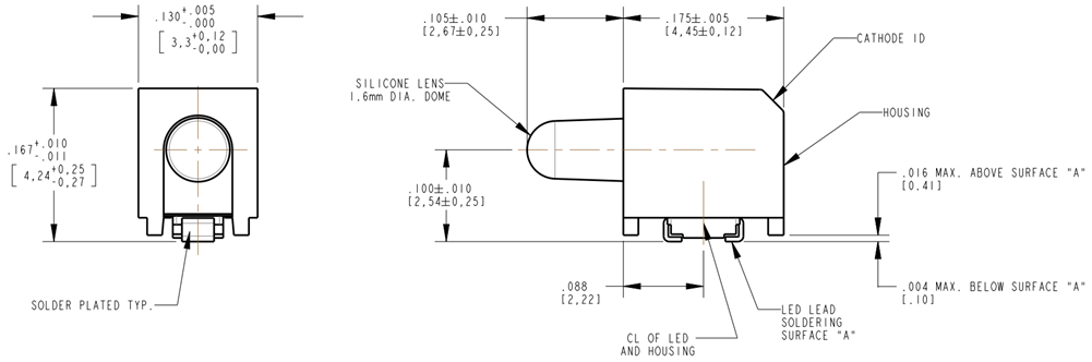
The Dialight 594 Prism LED indicators are available in a standard 20mA forward current (IF) version in red, orange, yellow, yellow-green, and green colors. These LEDs also offer a low-power 2mA forward current (IF) version in white, red, yellow, orange, and ice blue colors. The 594 Prism LED indicators measure 4.5mm x 3mm x 4mm.

Features

  • 2mcd to 312mcd luminous intensity range
  • 525nm to 630nm dominant wavelength range
  • 2mA to 20mA forward current (IF)
  • 1.7V to 3.5V forward voltage (VF)
  • 7-inch and 13-inch pick-and-place reels
  • 4.5mm x 3mm x 4mm small footprint

Applications

  • High-density boards
  • Network interface cards
  • Networking hardware
  • Wireless components
  • Electronic testing
  • Measuring equipment

Videos

Dimension Diagram

Mechanical Drawing - Dialight 594 Prism® LED Circuit Board Indicators
Published: 2020-02-20 | Updated: 2024-04-18