
Power Integrations LYTSwitch-5 Single-Stage LED Driver ICs
Power Integrations LYTSwitch-5 Single-Stage LED Driver ICs combine PFC and constant-current output to provide a flexible design platform for multiple common LED topologies. The ICs support non-isolated topologies such as buck and buck-boost for lamps and bulbs and safety-rated isolated flyback topology for ballast applications. These devices incorporate a high-voltage power MOSFET and discontinuous mode, variable frequency, variable on-time controller. The controller provides fast (cycle-by-cycle) current limit, input and output OVP, plus advanced thermal management circuitry.The LYTSwitch-5 family offers up to 25W, an extended 90VAC to 308VAC universal input range, and a wide output voltage range (2:1). The ICs deliver >90% efficiency, >0.9 power factor, less than 5% total harmonic distortion, and ±3% current regulation accuracy over line, load, variance, and temperature. The LYTSwitch-5 Single-Stage LED Driver ICs are ideal for solid-state lighting applications operating below 25W.
Designers can choose from low-side or high-side switching to optimize for low EMI or reduced inductor complexity. Using the LYTSwitch-5 LED Driver ICs, designers can develop smaller heatsinks and more compact implementations.
Features
- Combined single-stage PFC + accurate CC output
- Accurate CC, better than ±3%
- Power factor of >0.9
- Low total harmonic distortion (THD) of <10% with typical input and output conditions
- >90% efficient in optimized designs
- High switching frequency and DCM allow compact magnetics
- Design flexibility
- Supports buck, buck-boost, tapped-buck, boost, isolated, and non-isolated flyback topologies
- 2 MOSFET voltage options and 3 power levels for optimum device selection
- High reliability
- No electrolytic bulk capacitors or optoisolators for increased lifetime
- Comprehensive protection features
- Input and output overvoltage
- Open-loop protection
- Advanced thermal control
- Thermal foldback allows output light delivery at abnormally high ambient temperatures
- Hysteretic shutdown provides protection during fault conditions
Applications
- Down-lights
- High- and low-bay ballasts
- Bulbs
- Tubes
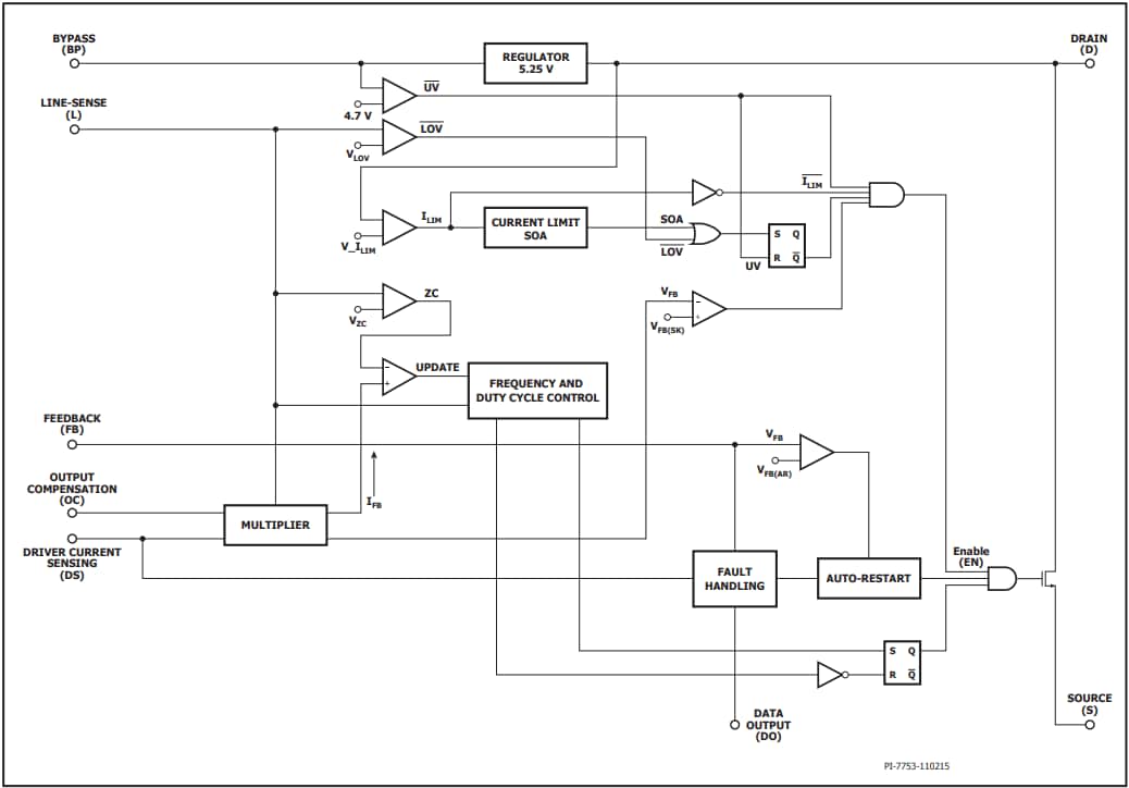
Block Diagram

Published: 2016-04-11
| Updated: 2022-03-11