Texas Instruments SN74ACT165/-Q1 Shift Registers

Texas Instruments SN74ACT165/-Q1 Shift Registers offer asynchronous parallel input loading within eight shift registers. The device features serial data input for daisy-chaining. The shift registers include clock inhibit and inverted output pins, allowing for system design flexibility.

The TI SN74ACT165/SN74ACT165-Q1 Registers are ideal for increasing the number of inputs on a microcontroller and in board revision.

The SN74ACT165-Q1 devices are AEC-Q100 qualified for automotive applications.

Features

  • AEC-Q1 00 qualified for automotive applications:
    • Device temperature grade 1: -40°C to +125°C
    • Device HBM ESD classification level 2
    • Device CDM ESD classification level C4B
  • Available in a wettable flank QFN package
  • Operating voltage range of 4.5V to 5.5V
  • TTL-compatible inputs
  • Continuous ±24mA output drive at 5V
  • Supports up to ±75mA output drive at 5V in short bursts
  • Drives 50Q transmission lines
  • Fast operation with a delay of 12.4ns max at 5V

Applications

  • Increase the number of inputs on a microcontroller
  • Read in board revision

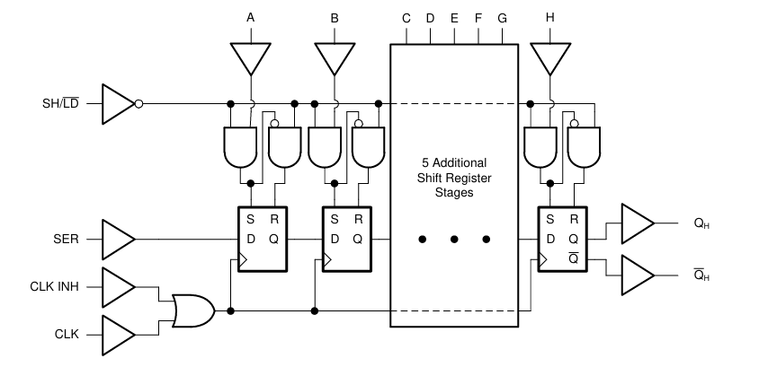
Functional Block Diagram

Block Diagram - Texas Instruments SN74ACT165/-Q1 Shift Registers
Published: 2026-01-12 | Updated: 2026-01-20